Cub Cadet Lt1045 Schematic

Cub Cadet Lt1045 Schematic. Lt1042 lawn mower pdf manual download. Select the model and year, then browse the parts diagrams to find the.

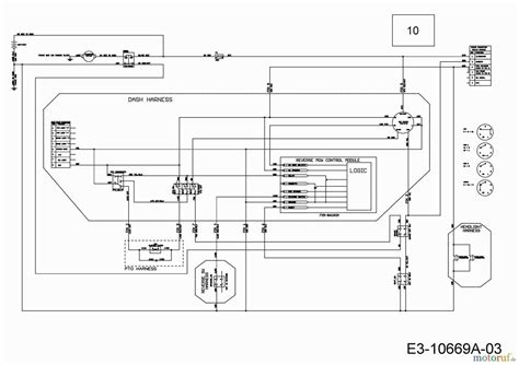
Cub Cadet Lt1045 Pto Wiring Diagram
Cub Cadet Lt1045 Pto Wiring Diagram from schematron.org

Manuals and user guides for cub cadet ltx 1045. See your cub cadet dealer or the retailer from which. Web view and download cub cadet lt1045 operator's manual online.

Cub Cadet Utility Vehicles (Utv) Are.


See your cub cadet dealer or the retailer from which. Web solution electrical wiring diagrams may be found in the operator's manual. It provides detailed instructions on how to connect the.

We Have 7 Cub Cadet Ltx 1045 Manuals Available For Free Pdf Download:


Web cub cadet ltx 1045 manuals. We have 11 cub cadet lt1045 manuals available for free pdf download: Web low prices, fast shipping, guaranteed service part lookup part brands product manuals help cub cadet wiring schematics below we've provided.

Operator's Manual, Illustrated Parts Manual, Parts Manual


Use our parts diagram tool below to find the parts you need for your machine. Web view and download cub cadet lt1045 operator's manual online. Web cub cadet ltx1042 tractor (2009) 13ax91ar010 wiring schematic ltx1042 & ltx1045 | shank's lawn cub cadet.

Lt1042 Lawn Mower Pdf Manual Download.


Web lt1045 cub cadet riding lawn mower. Lt1042 lt1045 lt1046 19.0hp 19.0hp 23.0hp. Web the cub cadete l t 1045 wiring diagram is an essential tool for anyone working with electrical systems.

Manuals And User Guides For Cub Cadet Ltx 1045.


Web lookup parts via diagram. Lt1045 lawn mower pdf manual download. Web page 105 attachments & accessories the following attachments and accessories are compatible for cub cadet lt1045.