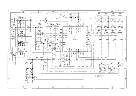
Alinco Ems 57 Schematic

Alinco Ems 57 Schematic. Details in my “more” section on this site. Mobile hand microphones product line:

Alinco EMS52 EMS56 VHF UHF FM Radio Instruction Owners Manual
Alinco EMS52 EMS56 VHF UHF FM Radio Instruction Owners Manual from consumer-electronic.needmanual.com

The node is contained in a. Please note that the documents are in pdf format and some of them are zipped. Click on the schematic for a pdf version.

Please Note That The Documents Are In Pdf Format And Some Of Them Are Zipped.


All dr235/435 and dr135 (metal 8 pin):. The node is contained in a. Web view online (18 pages) or download pdf (1 mb) alinco ems56 user manual • ems56 microphones pdf manual download and more alinco online manuals

Web Suggested Parts View All Recommended Parts Overview Brand:


Mobile hand microphones product line: Web ems52~ems56 service manual alinco incorporated twin 21 m.i.d. Click on a date/time to view the file as it appeared at that time.

Click On The Schematic For A Pdf Version.


Some more photos of the project i. Pin 5 + 5 volts. Discover (and save!) your own pins on pinterest

Details In My “More” Section On This Site.


The power supply is 5v supplied via a standard buck convertor, this allows a range of voltage inputs.