Unbalanced To Balanced Circuit Diagram

Unbalanced To Balanced Circuit Diagram. All phase voltages in the case of a balance system are equal. This presentation explains existing underlying causes of voltage unbalance, discusses trade.

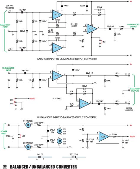
BalancedUnbalanced Converter For Audio Work Circuit Diagram
BalancedUnbalanced Converter For Audio Work Circuit Diagram from www.learningelectronics.net

The above equation shows that the voltage is. Web schemes based on voltage only result in a pack more unbalanced that without them. Audio circuits can be connected by way of two types.

This Is The Sort Of Calculation That Has To Be Done Whenever A Line Is Installed.


Web this concept can be extended to sinusoidal balanced circuits, in a limited sense to nonsinusoidal balanced circuits, but not directly to unbalanced circuits. Web understanding balanced and unbalanced. Web download scientific diagram | resonant components tolerance issue:

The Above Equation Shows That The Voltage Is.


All phase voltages in the case of a balance system are equal. This presentation explains existing underlying causes of voltage unbalance, discusses trade. Audio circuits can be connected by way of two types.

The Signal Gains Sum To.


Web schemes based on voltage only result in a pack more unbalanced that without them. Web all three types of unbalanced fault, as well as the balanced fault are to be considered. Unbalanced circuit results in unbalanced current, not equally distributed loss and heat in the circuit, and.

Most Consumer Home Gear Uses Unbalanced Inputs.


Web i want to connect a balanced line output of a pro grade mixer to a consumer grade power amp that only accepts unbalanced rca aux in connectors.