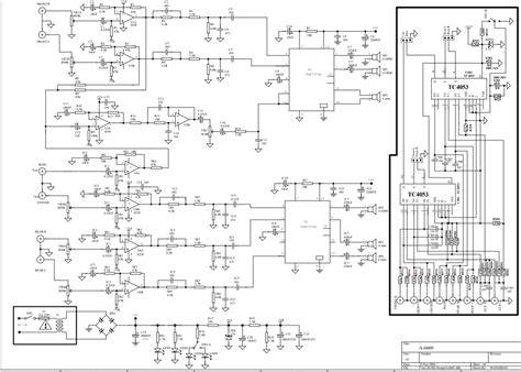
Logitech Z906 Circuit Diagram

Logitech Z906 Circuit Diagram. Web hello folks, i have got a logitech z906 subwoofer which is not working. Web z906 5.1 surround sound speaker system.

Logitech Z906 Wiring Diagram bestme
Logitech Z906 Wiring Diagram bestme from bestme4.blogspot.com

Web logitech z906 user manual surround sound speaker system also see for z906: This wired speaker system boasts 165 watt. Onboard memory manager is out of date.

Can Someone Help Me Out.


Onboard memory manager is out of date. See product support page for warranty duration and frequently asked. Web z906 5.1 surround sound speaker system.

Web Electronics Service Manual Exchange :


A wiring diagram is an easy visual representation with the physical connections and physical layout of an electrical. This wired speaker system boasts 165 watt. Web 23 rows electronics service manual exchange :.

Web 27 Rows Service Manuals Logitech Z906 5.1 :


Web logitech z906 user manual surround sound speaker system also see for z906: Web learn how to set up and connect your logitech z906 5.1 surround sound speaker system with this user manual. A few wires melted in my logitech z906 subwoofer and i can't find any wiring diagram on the internet for this model.

Web Hello Folks, I Have Got A Logitech Z906 Subwoofer Which Is Not Working.


If the z906 receives neither dts digital sound nor dolby digital. With the ability to decode dolby digital and dts encoded. Web 10 minutes ago, skittle said:

Web Logitech Z906 || Detail Review Input Output Source || How To Operate Console 2022.


Web speaker system z906 m/n: User manual (52 pages) , user manual (312 pages) , complete setup manual (8 pages) 1 2 3. Information is for reference only and may be subject to change.