Dc Filament Supply Schematic

Dc Filament Supply Schematic. Web pdf | a digitally controlled current regulated 20 v, 25 a dc power supply employing igbt based chopper is developed as the filament power supply for 1. Anything grossly wrong with this schematic?

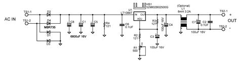
Regulated DC filament supply
Regulated DC filament supply from www.pmillett.com

It’s simple, but reports seem universally positive for coleman’s regulator approach. Anything grossly wrong with this schematic? | plasma, filamentation and clothing | researchgate, the professional network for scientists.

Design Of The Filament Power Supply Is Based On The Principle Of Chopper Control At The Secondary Side Of The Transformer As Shown In Figure 1.


Web the remedy described here is a stabilised and precisely regulated dc filament voltage. I wish to build a seperate filament supply to send. The slow rise of the filament voltage after switching on is also beneficial.

| Plasma, Filamentation And Clothing | Researchgate, The Professional Network For Scientists.


Web #1 i have heard the reports of benifits from using dc on your filaments and would like to experiment with such. It’s simple, but reports seem universally positive for coleman’s regulator approach. I plan on using the hammond 187e10 at 10v, 5a (for the el34s) but this transformer is.

Web Pdf | A Digitally Controlled Current Regulated 20 V, 25 A Dc Power Supply Employing Igbt Based Chopper Is Developed As The Filament Power Supply For 1.


Web simple 6.3v dc tube filament supply for two ecc83. Web the filament is fed a low ripple voltage with a ccs setting the current. Web your current draw will be somewhere in the 1.5 amp area for ac filaments, but running the filaments in dc actually makes the current draw about 140% of that.

Web Dc Filament Supply Schematic 1.


Web a dc chopper based current regulated 20 v, 25 a dc power supply is employed to power the filament of thales make th 2089, 1 mw, 352.2 mhz klystron amplifier. Anything grossly wrong with this schematic?