Crown Xls 402 Schematic

Crown Xls 402 Schematic. Web #1 i have been searching all over for a schematic for a crown xls 402. Xls 402 amplifier pdf manual download.

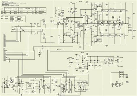
Help with Crown XLS 402 input board... diyAudio
Help with Crown XLS 402 input board... diyAudio from www.diyaudio.com

Xls 402 amplifier pdf manual download. The front panel has precision level controls along with for. Web crown xls 402 manuals.

We Have 11 Crown Xls 402 Manuals Available For Free Pdf Download:


Web #1 i have been searching all over for a schematic for a crown xls 402. Xls 5000, xls 602, xls 802, xls 202. Web view and download crown xls 402 operation manual online.

Web View Online Or Download Pdf (69 Kb) Crown Xls 402 User Manual • Xls 402 Audio Amplifiers Pdf Manual Download And More Crown Online Manuals


The front panel has precision level controls along with for. Web view and download crown xls 402 specifications online. Xls 402 amplifier pdf manual download.

Anyone Know Where I Can Get My Hands On One Thanks Tony Nails Member Joined 2011.


The line consists of three models in. Web crown xls 402 manuals. Safe with all types of loads.

Web Our Crown Xls402 Service Manual Provides The Important Servicing Information And Operating Instructions You Need To Diagnose And Repair Your Malfunctioning Or Failing Unit.


Web x l s s e r i e s xls series t he xls series of power amplifiers from crown represents a new era in affordable, quality power amplification. Xls 202, xls 402, xls 602, xls 402tx, xls 602tx emc standards: 62.0 lb* (27.7 kg)* shipping weight:

Xls 402 Amplifier Pdf Manual Download.


Manuals and user guides for crown xls 402. Ac line voltages available (±10%):