Crate Gx 15 Schematic

Crate Gx 15 Schematic. Crate gx 15 manual en: Web crate gtx100 crate gtx15a crate gx 120 212 crate gx 65 crate v32 palomino crate vc210 crate vc3112 poweramp crate vc3112 preamp

CRATE GX15R Owner's Manual Immediate Download
CRATE GX15R Owner's Manual Immediate Download from www.manualscenter.com

Crate gx 15 manual en: In those which i have the lower power gx/gfx models. April 10, 2005, 06:59:02 pm » anybody have a schematic for this?

Crate Gx 20R Manual En:


In those which i have the lower power gx/gfx models. Do note that my schematics cover only a very small percent of crate products. Crate gx 30m 07s202 schematic:

If You Want To Contribute, Please Mail Your Pdfs To.


Web this is the 2 pages manual for crate gx 130c gx 130ch schematics. April 10, 2005, 06:59:02 pm » anybody have a schematic for this? Web march 25, 2008, 01:27:36 pm.

Crate Gx 15 Manual En:


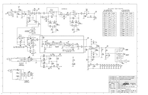
Crate gxt100 guitar amp schematics: Crate gx 20m 07s201 schematic: Web crate gx 15 15r 07s247 schematic:

Thanks For The Advices And.


Web crate gtx100 crate gtx15a crate gx 120 212 crate gx 65 crate v32 palomino crate vc210 crate vc3112 poweramp crate vc3112 preamp Guitar amplifier with digital signal processing. Read or download the pdf for free.