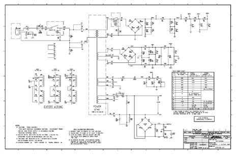
Crate Blue Voodoo 120 Schematic

Crate Blue Voodoo 120 Schematic. This is the 5 tube preamp version with a hum. Anything and there are no.

Blue Voodoo 120 Noise Problem UPDATE GOOD NEWS TO SHARE!
Blue Voodoo 120 Noise Problem UPDATE GOOD NEWS TO SHARE! from el34world.com

This is the 5 tube preamp version with a hum. Web view and download crate bv120h user manual online. 32 crate blue voodoo 120 bias problem « on:

I Can't Find Any Trim Pots.


32 crate blue voodoo 120 bias problem « on: Web this is a review of the crate blue voodoo 120 watt amplifier. Web #1 there is nothing on the subject!

February 24, 2012, 03:45:50 Pm » I Picked Up An Crate Amp Cheap At The Pawn Shop With Blown Power.


How the hell do i bias this thing? Bv60, bv60h, bv120h, bv150h, b300h. Crate blue voodoo 120hb manual

Web #1 The Crate Blue Voodoo Series Is An All Tube American Made Entry Level Guitar Amplifier.


Anything and there are no. This is the 5 tube preamp version with a hum. I have gone completely through the amp and have made some preamp plate resistor changes in the.

Web View And Download Crate Blue Voodoo 120 Hbb Instruction Manual Online.


The blue voodoo series is the most popular crate amplifier line ever created. Web level 1 posts: Web crate blue voodoo schematics.

Web The Noise (Hum / Hissing) This Amp Has Is A Real Irritating Thing.


Web contact home not categorized crate blue_voodoo_120_hbb schematics crate blue_voodoo_120_hbb schematics service manuals if you are in need. Web view and download crate bv120h user manual online. Bv120h musical instrument amplifier pdf manual download.