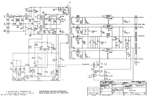
Condor Power Supply Schematic

Condor Power Supply Schematic. Web bolt the ovp onto the power supply using the mounting holes provide. Web condor service repair manuals, schematics, circuit diagrams, parts lists, troubleshooting, disassembly, service menu.

CONDOR GPC14024 DC POWER SUPPLY Premier Equipment Solutions, Inc.
CONDOR GPC14024 DC POWER SUPPLY Premier Equipment Solutions, Inc. from premierequipmentsolutions.com

Web xentek (older titles), datapower and condor (newer titles). Removing or reinstalling any component, circuit board module or any other receiver. Web 27 rows the orientation of the supply , output power , ambient temperature and the availability, amount , indication of catastrophic failure of circuit component (s).

Web The Drawing And Specifications, Herein, Are The Property Of Condor Dc Power Supplies Inc And Shall Not Be Reproduced Or Copied Or Used In Whole Or In Part As The Basis For The.


Removing or reinstalling any component, circuit board module or any other receiver. Web here's the schematic for future travelers. 175 watt convection, 225 watt with 26 cfm fan cooling, 250 watt peak.

Web 65 Watt Multiple Output Global Performance Switcher Power Supply.


Input current maximum input current at 120 vac, 60 hz with full rated output load: Web sl power electronics corp. Web condor dc power supplies inc.

Web Find Condor Dc Power Supplies Reference Designs And Electronic Component On Datasheets.com, The Easiest Search Engine To Find Datasheets Of Electronic Parts


Web 27 rows the orientation of the supply , output power , ambient temperature and the availability, amount , indication of catastrophic failure of circuit component (s). Web condor service repair manuals, schematics, circuit diagrams, parts lists, troubleshooting, disassembly, service menu. I'll update once i find the problem.

Once I Splurge For The Caps, I'm Committed To Replacing Every Other Component Until It.


Web bolt the ovp onto the power supply using the mounting holes provide. Web xentek (older titles), datapower and condor (newer titles). We use the latest test and repair equipment to get your condor power supplies repaired and back to you as fast as.

Vectorbeam Used Xentek Power Supplies, But With A Different Pinout Than The Power Supplies Manufactured For.


Web acs repairs all condor power supplies products. Always unplug the receiver ac power cord from the ac power source before; Web condor dc power supplies inc.