Case 1845C Wiring Schematic

Case 1845C Wiring Schematic. Read the schematic like the roadmap. Web usually if it is a aftermarket system the box for it should be on the driver side under the dash.

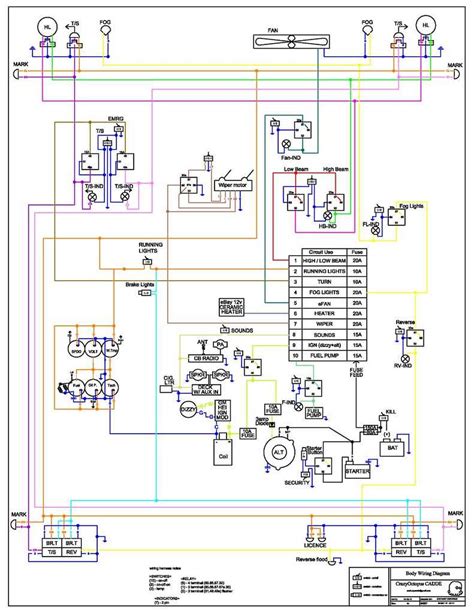
Case 1845c Skid Steer Wiring Diagram
Case 1845c Skid Steer Wiring Diagram from schematron.org

A184084 case 1845c 1835c 1840 1838 skid steer loader hydraulic oil. Case skid steer wiring diagrams are essential for anyone who wants to repair or maintain their case skid steer. Manual contains illustrations, instructions, diagrams for step by step remove and install, assembly and.

Read The Schematic Like The Roadmap.


Now don't go just cutting wires these systems tap into some of the major. Web the 1845c uses the same cluster, based on part number. I seem to recall some confusion whether the small diagrams show the.

Web Case 1845C Wiring Diagramcase 1845C Wiring Harnesscase 1845C Service Manualcase 1845C User Manualcase 1845C Manual Bookscase 1845C Schematic Diagram


Web usually if it is a aftermarket system the box for it should be on the driver side under the dash. Web #1 download this document, you need 0 gallons download here email support : Web hi i'm looking for a wiring diagram with colors if possible to track down problems i'm having with insterment panel working on my case 1845c any help would.

I Assume They Are Wired Similar.


Web factory service manual for case 1845c skid steer loader. Admin@autorepairmanuals.ws electrical schematic for the case 1845c skid. Case skid steer wiring diagrams are essential for anyone who wants to repair or maintain their case skid steer.

Web By Gree Claire | September 28, 2022.


Web parts for case 1845 steer loaders, wiring diagram. Manual contains illustrations, instructions, diagrams for step by step remove and install, assembly and. Hoping someone on here can post the wiring diagram so i can finish it.

I Print Out The Schematic In Addition To Highlight The Circuit.


A184084 case 1845c 1835c 1840 1838 skid steer loader hydraulic oil. Web i’m working on a 1999 case 1845c and the wiring is a mess. Wiring diagram for case 1845c wiring automotive wiring.