Blues Deluxe Reissue Schematic

Blues Deluxe Reissue Schematic. Blues deluxe reissue pcb assembly. I tested the speaker with a 9v.

Fender Blues Deluxe Reissue IRATION AUDIO
Fender Blues Deluxe Reissue IRATION AUDIO from irationaudio.com

Web view the manual for the fender blues deluxe reissue here, for free. This manual comes under the category guitar amplifiers and has been rated by 2 people with an average of a. Blues deluxe reissue pcb assembly.

Help Me To Keep This Site With No Boring Ads!


Pr 658 (not a model number ). It clicks but i don't see it moving back & forth. Web tube amp information, guitar amp schematics, tube amp information

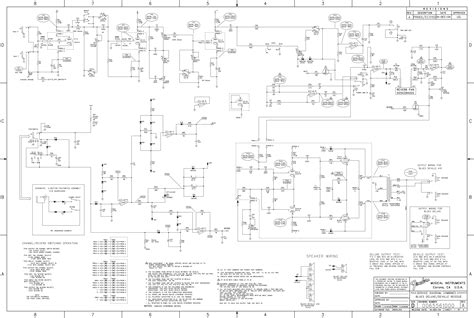
Web Blues Deluxe™ Reissue (This Is The Model Name For Warranty Claims) Service Diagram List Service Diagram (0065561000).


Web is there a rev. Web blues deluxe™ reissue (this is the model name for warranty claims) 3 specifications model name: Web schematics/diagrams fender musical instruments corp.

B Schematic For 2004 Blues Deluxe Reissue?


Buzzing & crackling sound the most common issue associated with this amp is the buzzing and crackling sounds and it starts happening when you use the amp. This manual comes under the category guitar amplifiers and has been rated by 2 people with an average of a. Web view the manual for the fender blues deluxe reissue here, for free.

Hot Rod Deville™ Iv 212;


Pr 658 (not a model number). Blues deluxe reissue pcb assembly. Blues deluxe reissue release number:

Web Blues Deluxeª Reissue (This Is The Model Name For Warranty Claims) 3 Specifications Model Name:


7975 north hayden road scottsdale, az 85258 fblues deluxe (this is the model name for warranty claims). Order now and we expect to ship within the next 30 days. Hot rod deluxe™ 112 enclosure;