Atari 2600 Jr Schematic

Atari 2600 Jr Schematic. Web i was wondering if anyone could answer me a couple questions about these schematics: Note that the rf modulator is not shown (i.

Konsola Atari 2600 Junior elektroda.pl
Konsola Atari 2600 Junior elektroda.pl from www.elektroda.pl

Web i was wondering if anyone could answer me a couple questions about these schematics: The one labeled (compressed) was ocr'd with searchable text in adobe. Web almost every schematic and service manual that can be found in atari, fairchild, nes, sega, nec, vectrex sections was taken from.

Web Does Anyone Have Any Photos Of The Atari Jr Circuit Board?


Note that the rf modulator is not shown (i. This one is a little different, in that it does not have a modulator inside a. 2600 game console pdf manual download.

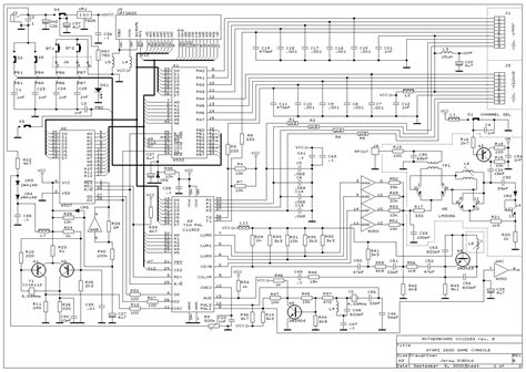
They Were Used When I Designed And Built Bankzilla, So I'm Fairly Certain They Are Good.


Web almost every schematic and service manual that can be found in atari, fairchild, nes, sega, nec, vectrex sections was taken from. Low resolution version (83k) high. Web i was wondering if anyone could answer me a couple questions about these schematics:

Web View And Download Atari 2600 Field Service Manual Online.


Low resolution version (104k) high resolution version (332k). Web here is another atari 2600 junior ready for a composite video output modification. Pcb revisions 16 and up see more

The One Labeled (Compressed) Was Ocr'd With Searchable Text In Adobe.


Both pdf files are ocr'd and have been leveled. Web here are the schematics for the atari 2600 jr. I'm looking for some clear photos of the traces layout, top and bottom sides.