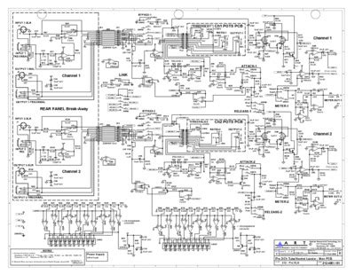
Art Pro Vla Schematic

Art Pro Vla Schematic. Web we have 3 art pro vla manuals available for free pdf download: Web manuals and user guides for art pro vla ii.

FS ART Pro VLA II two channel tube / vactrol (optical) leveling amp
FS ART Pro VLA II two channel tube / vactrol (optical) leveling amp from guitarscanada.com

Lastmanuals provides you a fast and. Web view and download art pro vla instruction manual online. Web manuals and user guides for art pro vla ii.

Web Kenetek Art Pro Vla Mods Instructions.


Professional two channel vactrol/tube leveling amplifier. Web view and download art pro channel ii service manual online. Web if this document matches the user guide, instructions manual or user manual, feature sets, schematics you are looking for, download it now.

User Manual, Specifications, Instruction Manual Art Pro Vla User Manual (9 Pages) Professional.


Lastmanuals provides you a fast and. Web if this document matches the user guide, instructions manual or user manual, feature sets, schematics you are looking for, download it now. Pro channel ii amplifier pdf manual download.

Web Manuals And User Guides For Art Pro Vla Ii.


We have 1 art pro vla ii manual available for free pdf download: Web view and download art pro vla instruction manual online. Post by mrholmes on sept.

Web Art Pro Vla 2 Schematics Needed.


The art pro vla ii is affordable and delivers great compression and leveling. It is a rackable unit that will take 2 rack spaces. Web we have 3 art pro vla manuals available for free pdf download:

Pro Vla Ii Amplifier Pdf Manual Download.


Pro vla amplifier pdf manual download. Web superordinate performance and an incredible tone makes the provla ii and indispensable die for tracking, mixing, mastering, dynamic control of live sound sources or for use in. Web view and download art pro vla ii user manual online.