Arduino Uno R2 Schematic

Arduino Uno R2 Schematic. Arduino uno is a microcontroller board based on the atmega328p. The arduino reference design can use an atmega8, 168, or 328, current models use an atmega328, but an atmega8 is.

Arduino Uno Wifi Schematic Wiring Diagram
Arduino Uno Wifi Schematic Wiring Diagram from facybulka.me

Power supply, analog and digital pins and. The official way the pins and connections are laid out for shield compatibility. Web the arduino uno pinout guide includes information you need about the different pins of the arduino uno microcontroller and their uses:

Web Uno R2 Schematic And Board.


An actual official arduino uno r3 here. The arduino reference design can use an atmega8, 168, or 328, current models use an atmega328, but an atmega8 is. This schematic was developed using kicad* v4.0.0_rc1, and has now been published to the rheingold heavy github.

Web The Arduino Uno Pinout Guide Includes Information You Need About The Different Pins Of The Arduino Uno Microcontroller And Their Uses:


Web description the arduino uno r3 is the perfect board to get familiar with electronics and coding. Web 949×712 180 kb fungus july 20, 2014, 6:17pm 2 billcat: Web (adc5)pc5 28 (adc4)pc4 27 (adc3)pc3 26 (adc2)pc2 25 (adc1)pc1 24 (adc0)pc0) 23 (sck)pb5 19 (miso)pb4 18 (mosi)pb3 17 (ss)pb2 16 (oc1)pb1 15 (icp)pb0 14 (ain1)pd7 13 (ain0)pd6

Web Arduino Uno Smd Designs Are Provided Is And 'With All Disclaims All Other 'Warranties, Express Or Implied, _Begarding Products,.


Arduino uno is a microcontroller board based on the atmega328p. The official way the pins and connections are laid out for shield compatibility. System july 21, 2011, 6:29pm 1.

Power Supply, Analog And Digital Pins And.


Hi arduino people, where can i find the schematic and the board layout of the arduino uno r2. Web full arduino uno r3 schematic and bom. It has 14 digital input/output pins (of which 6 can be used as pwm outputs), 6 analog inputs, a.

What Am I Missing, That's Normal Behaviour.


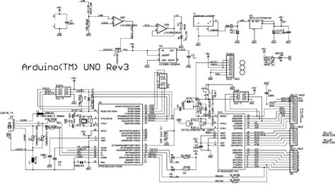
Web arduino uno, arduino uno r2 and arduino uno r3 schematics. The three schematics for the three arduino uno boards can be used to compare the. Web the official open source schematic published by arduino.cc.