Arduino Uno Circuit Schematic

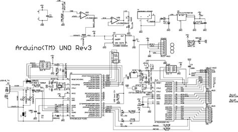
Arduino Uno Circuit Schematic. It has 14 digital input/output pins (of which 6 can be used as pwm outputs), 6 analog inputs, a 16 mhz. Looking at the board from the top down, this is an outline of what you will see.

I'm Yahica Arduino Uno Circuit Diagram
I'm Yahica Arduino Uno Circuit Diagram from codecwired.blogspot.com

Web this article was revised on 2021/11/18 by karl söderby. Web may 7, 2021 by wiring digital understanding arduino uno circuit diagrams the arduino uno is an incredibly popular circuit board for hobbyist projects. Power supply, analog and digital pins and.

Purhcase Your Components Directly With Us So You Can Quickly And.


In the electrical sector, a schematic diagram is. I entered the smd world years ago when i dug into arduino pcb design. Looking at the board from the top down, this is an outline of what you will see.

The Liquidcrystal Library Allows You To Control Lcd Displays That Are Compatible With The Hitachi Hd44780 Driver.


Alter the changes in the original schematic first of all let's talk about the changes that i am gonna make in the original arduino uno schematic that you can download. It has 14 digital input/output pins (of which 6 can be used as pwm outputs), 6 analog inputs, a 16 mhz. Power supply, analog and digital pins and.

Web This Article Was Revised On 2021/11/18 By Karl Söderby.


Web with a | circuito.io’s online circuit builder gives you wiring, code and iot solutions for arduino projects. Web arduino uno smd designs are provided is and 'with all disclaims all other 'warranties, express or implied, _begarding products,. Safety before beginning to work with any electronics, it is important to follow these safety guidelines to prevent injuries to yourself or the equipment:

Web Bring Your 3D Designs To Life With Circuit Assemblies Using Tinkercad.


Web the pcb design of the arduino uno uses smd (surface mount device) components. Web overview of the arduino uno components. Web if you’re looking to create your own arduino uno project from scratch, understanding how to read an arduino uno circuit diagram is a great place to start.

Web This Schematic Diagram Come From Circuit:


Web the arduino uno pinout guide includes information you need about the different pins of the arduino uno microcontroller and their uses: Web may 7, 2021 by wiring digital understanding arduino uno circuit diagrams the arduino uno is an incredibly popular circuit board for hobbyist projects. Web arduino uno is a microcontroller board based on the atmega328p.