Ampeg Svt Classic Schematic

Ampeg Svt Classic Schematic. Web ampeg svt cl classic power amplifier pcb schematics and pictorial original. This dynamically powerful bass amp delivers a thunderous 300 watts of unsurpassed quality, reliability and tonal flexibility, offering the classic vibrance of.

Ampeg SVT tube DU
Ampeg SVT tube DU from www.talkbass.com

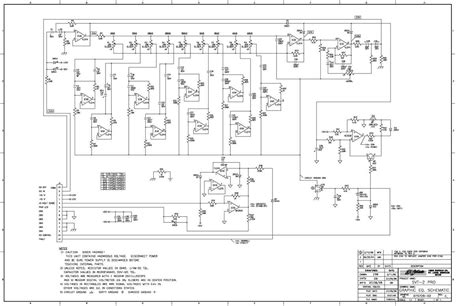
Web ampeg svt cl classic 2033759 xx b00 sch: Web hello everybody, i'd like to build tube amplifier on my own and i had chosen ampeg svt, but have a problem with schematics: A b c d e 660v f j12 372v j10 to power amp 1 1 r15 r11 5 3w 5% flame proof r7 5 3w 5% flame proof.

This Is The 4 Pages Manual For Ampeg Svt Cl Classic Power Amplifier Pcb Schematics And Pictorial.


All of these pdf files are available for free download. Web replacement parts for guitar amps & music keyboards Ampeg svt cl classic 2033759 xx d00 assy top:

Web #1 Hello Everybody, I'd Like To Build Tube Amplifier On My Own And I Had Chosen Ampeg Svt, But Have A Problem With Schematics:


On the internet i can only find an old. Web here you will find our collection of ampeg schematics. M u s i c p.

Ampeg Svt Cl Classic 2033759 Xx D00 Assy Btm:


I can't say this is a complete archive. On the internet i can only find an old. A b c d e 660v f j12 372v j10 to power amp 1 1 r15 r11 5 3w 5% flame proof r7 5 3w 5% flame proof.

Web Hello Everybody, I'd Like To Build Tube Amplifier On My Own And I Had Chosen Ampeg Svt, But Have A Problem With Schematics:


Ampeg svt cl classic 2033759 xx d00 sch:. You will require adobe acrobat pdf reader to view these schematics. Web ampeg svt cl classic 2033759 xx b00 sch:

Web Ampeg Svt Cl Classic Power Amplifier Pcb Schematics And Pictorial Original.


Web attached are 4 technical service bulletins and various schematics for the svt classic bass head from the slm era. This dynamically powerful bass amp delivers a thunderous 300 watts of unsurpassed quality, reliability and tonal flexibility, offering the classic vibrance of.