Ampeg Svt 3 Pro Schematic

Ampeg Svt 3 Pro Schematic. Web ampeg svt 3 pro: Web svt iii pro schematics discussion in ' amps and cabs [bg] ' started by okwestern, oct 23, 2021.

Tyul Files Ampeg Svt 3 Pro Schematic Pdf
Tyul Files Ampeg Svt 3 Pro Schematic Pdf from tyulfile.blogspot.com

Ampeg svt 3 pro schematic pdf [pdf] ampeg. Web ampeg svt 3 pro: Ampeg svt 3 pro users guide:

If You Want To Reopen This Topic, Contact A Moderator Using.


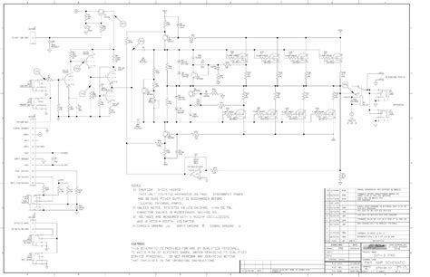
Svt 3 pro schematic pdf. Ampeg svt 3 pro power amp 07s426 schematics: Ampeg svt 3 proa preamp 07s534.

Web Svt 3 Pro Schematic Gday, I Recently ( Feb 09 ) Bought An Svt 3 Pro And Like Many Others Have The Buzz Problem Going On.


Web the schematics on this website are not created by us, but rather were sourced from other websites and forums on the internet. Ampeg svt 3 pro users guide: Web 3.30hm.230hm.230 hm.30hm.230hm.230hm.330hm 330n su su 17 pst est 1 oohm,'2u ooh zu 1k sua azo ohms iou 620 620 iou 620 iou 1kn ioohn,'2lj '0 k0hm 10.

This Old Topic Is Closed.


Web ampeg svt 3 pro schematic pdf downloadfree access for ampeg svt 3 pro schematic pdf download from our huge library or simply read online fromyour computer. Web i have searched the net and these forums and haven't been able to find a schematic for this particular amp. Ampeg svt 3 pro schematic pdf [pdf] ampeg.

Web Ampeg Svt 3 Pro:


Ampeg svt 3 pro specs en: Web svt iii pro schematics discussion in ' amps and cabs [bg] ' started by okwestern, oct 23, 2021. Web get ampeg svt 3 pro schematic pdf pdf file for free from our online library.

The Power Amp Schematic Is Of Course Easily Available, But I Can't Find The Preamp One.


For over 60 years ampeg has been providing amplification. This compact, yet dynamically powerful bass amplifier, delivers a searing 450 watts of unsurpassed. Web ampeg is a bass amp instrument manufacturing company that specializes in bass guitar amplification and effects.