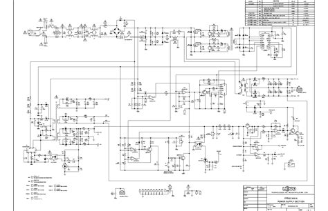
Ampeg Pf 500 Schematic

Ampeg Pf 500 Schematic. Web view the manual for the ampeg pf500 here, for free. Files are decompressed (supported zip and rar multipart.

Ampeg PF500 Main PCB Board 203454401 Ampeg Parts British Audio
Ampeg PF500 Main PCB Board 203454401 Ampeg Parts British Audio from britishaudio.com

Web oklahoma city, ok. This manual comes under the category receivers and has been rated by 1 people with an average of a 6. So here is the pf 350.

Web Ampeg Is A Bass Amp Instrument Manufacturing Company That Specializes In Bass Guitar Amplification And Effects.


Files are decompressed (supported zip and rar multipart. Web electronics service manual exchange : I'm interstef in jfet preamp section and compressor.

Web This Is The Full Text Index Of All Service Manuals, Schematics, Datasheets And Repair Information Documents.


Yup just looks like they must have changed something in the url address or. Web electronics service manual exchange : For over 60 years ampeg has been providing amplification.

Web Oklahoma City, Ok.


However, it has an issue that the psu part of it starts, and then resets. So here is the pf 350. This manual comes under the category receivers and has been rated by 1 people with an average of a 6.

Ampeg Pf 350.Zip Having A 'Feeling' That The Problem Is Related To 'A Transistor' Is Not A Good Sign Of.


Web can't seem to locate the pf500 schematic. Web view the manual for the ampeg pf500 here, for free.