Ameritron Al 80B Schematic

Ameritron Al 80B Schematic. (1 of 38) upload a user manual. 1000 watt pep linear amplifier.

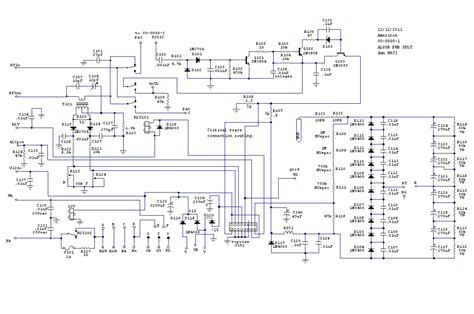
al 80b schematic
al 80b schematic from groover.sch.bme.hu

(1 of 38) upload a user manual. Web introduction 7 safety interlock 7 circuit descriptions 8 alc 8 dynamic bias 8 power supply 9 filament supply 9 plate (hv) supply 9 meters 9 current meter (plate and grid) 1000 watt pep linear amplifier.

Carefully Inspect The Tube For Visible Damage.


All models are easily converted to other supply. 1000 watt pep linear amplifier. Roll the tube over slowly while.

Look For Bent Or Broken Pins.


(1 of 38) upload a user manual. Web introduction 7 safety interlock 7 circuit descriptions 8 alc 8 dynamic bias 8 power supply 9 filament supply 9 plate (hv) supply 9 meters 9 current meter (plate and grid)