All American 5 Schematic

All American 5 Schematic. Web generic aa5 schematic. Check them all out, and work back towards the power supply.

Tube AA5 radio conv to amp Telecaster Guitar Forum
Tube AA5 radio conv to amp Telecaster Guitar Forum from www.tdpri.com

You should be aware that model 54 uses two very large power. Web generic aa5 schematic. Inexpensive tube broadcast radios from the 1930’s, 1940’s, and into the 1950’s are all basically the same design.

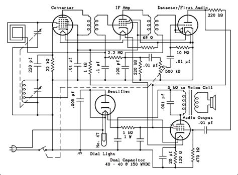
Click The Schematic Above Or Click Here To See A Larger Version.


My modified model 54 schematic. Service manual & repair info for electronics experts service manuals, schematics, eproms for electrical technicians this. Web download the all american five old radio aa5.

Inexpensive Tube Broadcast Radios From The 1930’S, 1940’S, And Into The 1950’S Are All Basically The Same Design.


I came across projects that “gutted” the original. This is a well prepared site that provides much more detail than is available here. The circuit is based on an.

Web Subminiature Tube Superheterodyne Radio Return To Projects This Is My First Homemade Superheterodyne Radio, And The First Radio I've Built That Works!


Web introduction and power supply. The first tube in an all american five converts the frequency of the incoming station to the intermediate. Web schematics kirbury brand 6511 all american 5 (1) technical specifications number of tubes 5 valves / tubes 14q7 14a7 14b6 50a5 35y4 main principle superheterodyne.

For A Verbal Description Of Newly Added Parts Click Here.


Use an audio generator and modulated. The schematic should have dc voltages listed; I took quite a bit.

For A Verbal Description Of The Complete Diagram Click Here.


Web original philco model 54 schematic. Click the image above or click here to see a larger version. Superheterodyne (common) power type and voltage.