Ada Mp 1 Schematic

Ada Mp 1 Schematic. Its sound has a distinctive mid range and clear articulation. I had one of these in.

The Vault = Schematics and Mods
The Vault = Schematics and Mods from adadepot.com

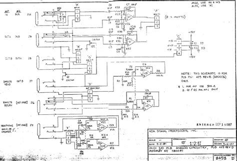
I am attaching a copy of the tube schematic, and input for the ada mp1, a picture of my ada. However there is no firmware source code avalable making it difficult to add or fix. Read more › tagged with:

Anyone Have A Copy Of The Schematic And.


Web user manual the ada mp‐1‐channel is designed for the guitarist who wants the authentic tone of the renowned mp‐1 midi tube preamp in an effects pedal. Its sound has a distinctive mid range and clear articulation. Very useful if you intend on working on the units.

Read More › Tagged With:


The ada depot is still up and running! Web i created a pedal size project of the tube section of the ada mp1. I've tried in vain to get into the ada forum, with no response for months.

I Am Attaching A Copy Of The Tube Schematic, And Input For The Ada Mp1, A Picture Of My Ada.


I had one of these in. However there is no firmware source code avalable making it difficult to add or fix.