8 Channel Relay Board Schematic

8 Channel Relay Board Schematic. Web universal 8 channel relay module. Web 8 channel relay board is a simple and convenient way to interface 8 relays for switching application in your project.

8 Channel Relay Board
8 Channel Relay Board from www.electronics-lab.com

Control up to 8 devices via usb port using vcp (virtual com port). Web usb eight channel relay board descriptionys relay hasrelaan led to indicate when it is operated. How to wire a raspberry pi to a sainsmart 5v relay module ( view) user manual ( download).

Web Updated 1 Year Ago By Lynn 8+Relay+Module ( Download) Diagram:


Web description 8 channel relay board is a simple and convenient way to interface 8 relays for switching application in your project. Web description 8 channel relay board is a simple and convenient way to interface 8 relays for switching application in your project. Web universal 8 channel relay module.

Join 9,350,000 Engineers With Over 4,840,000 Free Cad Files Join The Community.


Web the wire colors shown in figure 1 in the “diagrams color code” table are examples only. Input voltage level support ttl as well as cmos. Thus, these relays carry magnetic coils that rely on electric flow to produce a.

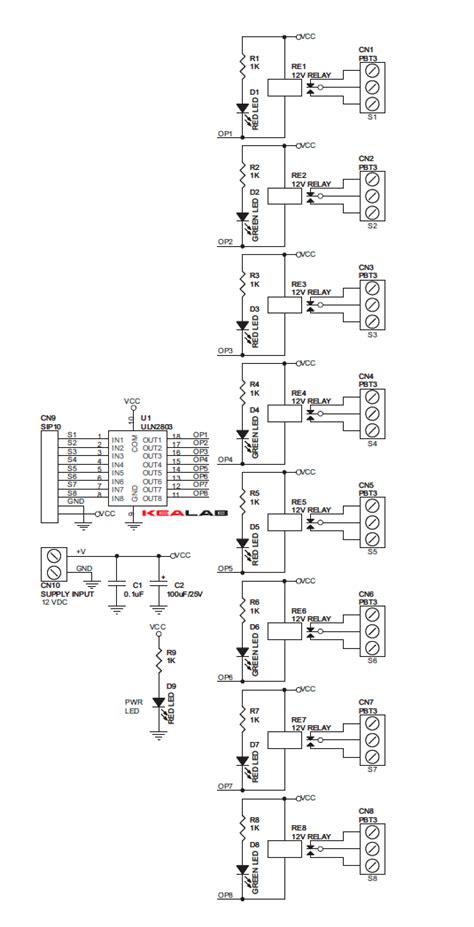
Web I Have Drawn Up An 8 Channel Relay Board From A Couple Of Different Schematics And Wanted Another Set Of Eyes To Proofread It For Me.


Additionally, all relays feature a similar circuit. Web 8 channel relay board | 3d cad model library | grabcad. Actual wire colors differ by country and/or voltage.

13.5 X 5.3 X 1.7Cm (Lxwxh)Working Voltage:


Control up to 8 devices via usb port using vcp (virtual com port). Web usb eight channel relay board descriptionys relay hasrelaan led to indicate when it is operated. How to wire a raspberry pi to a sainsmart 5v relay module ( view) user manual ( download).

Web 8 Channel Relay Board Is A Simple And Convenient Way To Interface 8 Relays For Switching Application In Your Project.