2002 Dodge Dakota Wiring Schematic

2002 Dodge Dakota Wiring Schematic. In this article, we’ll go over everything you need to know about the pcm wiring in. 2, pin 10 @ ctm [2] power door (unlock) wiring diagram for [] door unlock:

2002 Dodge Dakota 3 9 Wiring Diagram Wiring Diagram
2002 Dodge Dakota 3 9 Wiring Diagram Wiring Diagram from wiringdiagram.2bitboer.com

Adobe acrobat document 19.6 mb. I print out the schematic and highlight the signal i’m diagnosing in order to make sure im staying on the particular path. Free pdf download for thousands of cars and trucks.

One Need To Never Attempt.


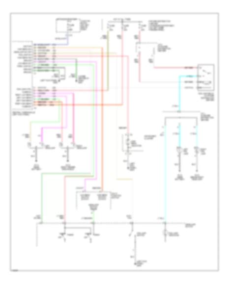
Web dodge dakota join here 6/03/2002 12:52:55: Web ignition system circuit diagram 1992 3 9l dodge dakota. This simplified ignition system wiring diagram includes the following:

Web Dodge Dakota Workshop, Repair And Owners Manuals For All Years And Models.


I print out the schematic and highlight the signal i’m diagnosing in order to make sure im staying on the particular path. Adobe acrobat document 19.6 mb. Ignition coil circuits, asd relay.

In This Article, We’ll Go Over Everything You Need To Know About The Pcm Wiring In.


2002 dodge dakota wiring diagram, 2002 dodge dakota pcm wiring diagram gallery 2002. Web 2002 dodge dakota remote vehicle starter wire schematic vehicle battery positive wire (+): Web detailed dodge dakota engine and associated service systems (for repairs and overhaul) (pdf) dodge dakota transmission data service manual pdf;

Web See The 2002 Dodge Dakota Wiring Diagram Images Below.


Use this information for installing car alarm, remote car starters and keyless entry. Web 2002 dodge dakota 2002 system wiring diagrams dodge dakota. 2, pin 10 @ ctm [2] power door (unlock) wiring diagram for [] door unlock:

Pink/Black Vehicle Battery Positive Wire Location:


Web 2002 dodge dakota wiring diagram collection. Web dodge dakota 2002 buzzers, relays & timers location. Dodge ram truck 2005 1500,2500, 3500 ser.