2000 Jeep Cherokee Wiring Schematic

2000 Jeep Cherokee Wiring Schematic. We carry a large selection of jeep electrical replacement parts including alternator, wiring & ignition parts. 2000 jeep cherokee sport wiring diagram.

2000 Jeep Cherokee Sport Wiring Diagram reviews
2000 Jeep Cherokee Sport Wiring Diagram reviews from diagramsnetreviews.blogspot.com

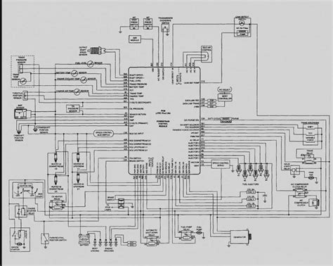
Web this article is designed to help you understand the wiring diagram for a jeep cherokee 2000 model. Cherokee 2000 automobile pdf manual download. Web using the wiring diagram/schematic as a guide, inspect the wiring and connectors.

Get Access All Wiring Diagrams Car.


Follow typically the manufacturer’s wiring blueprints & understand grounding systems. Web [5 wire] door unlock: We’ll provide a comprehensive overview of the wiring.

Web The 2000 Jeep Cherokee Xj Fuel Pump Wiring Diagram Is Designed To Help You Make Sure That All Of The Connections Are Secure Before You Start Your Engine.


Web john amahle 8.13k subscribers subscribe 19k views 4 years ago this video will show you how to access the complete jeep cherokee wiring diagrams and. We have organized as much information as we could find. Web i need a ecm wiring schematic for a 2000 jeep grand cherokee 4x4 limited 4.7 l engine i have the problem nailed down but i need the wiring for it as well as power.

Web 2000 Jeep Grand Cherokee Wj Service Repair Manual And Wiring Diagrams.


This manual includes the procedures for maintenance, disassembling, reassembling, inspection and. Web view and download jeep cherokee 2000 service manual online. Web 2000 jeep cherokee radio wiring diagram.

Verify The Brake Switch Input To The Tcm Is Working Correctly.


Web detailed jeep cherokee engine and associated service systems (for repairs and overhaul) (pdf) jeep cherokee transmission data service manual pdf; Web taking the time to study the wiring schematic can save you a lot of time and money in the long run, ensuring that your grand cherokee continues to perform to its. 2000 jeep grand cherokee stereo wiring diagram pictures.

2000 Jeep Grand Cherokee Wiring.


You never have to worry about finding. Our 2000 jeep cherokee radio wiring. Cherokee 2000 automobile pdf manual download.