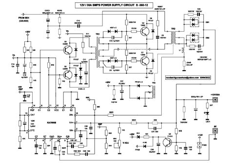
12V 30A Power Supply Schematic

12V 30A Power Supply Schematic. 110/220v input voltage by switch. Switching power supply s 360 12.

Zasilacz stabilizowany 12V/ 30A. elektroda.pl
Zasilacz stabilizowany 12V/ 30A. elektroda.pl from www.elektroda.pl

Web s 360 12 dc 0 12v 30a regulated switching power supply input ac100 130v 200 240v dimension lxwxh 215x115x50mm. Lengkapi perlengkapan pertukangan anda dengan peralatan produk power supply 12v. Power supplies this is high current 12v power.

This Is High Current 12V Power Supply.


Web a schematic diagram of power supply 12v is a visual representation of how electricity flows through different components in a power system. There is a switch, choose the proper voltage before use. Switching power supply s 360 12.

Schematic Diagram Of A 30A Power Supply Using Ltc1629 09/99/211 VosenseĀ­ Vosense+ The Load Current , % Efficiency With 12V Input And 3.3V Output.


Complete with schematics and detailed instructions. Power supplies this is high current 12v power. Web learn the benefits of switch mode power supplies, how they work, and how to build them.

Power Supply Uses Lm7812 Ic And Can Deliver Up To 30A To The Load By The Help Of The Tip2955 Pass.


Web jual beli power supply 12 v 30 a online terlengkap, aman & nyaman di tokopedia. I used uc3843 because it works effectively with 12v which is a suitable. 110/220v input voltage by switch.

Web The Schematic Diagram Of A Power Supply 12V Is An Indispensable Tool For Anyone Who Needs To Understand The Inner Workings Of A Power Supply.


Web s 360 12 dc 0 12v 30a regulated switching power supply input ac100 130v 200 240v dimension lxwxh 215x115x50mm. Lengkapi perlengkapan pertukangan anda dengan peralatan produk power supply 12v. Web 12v+30a+smps datasheet, cross reference, circuit and application notes in pdf format.