10 Mhz Distribution Amplifier Schematic

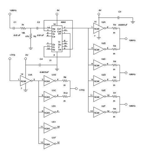
10 Mhz Distribution Amplifier Schematic. The +7 dbm nominal 10 mhz input is buffered by a 3.5 db gain 50 input and output rf amplifier that. Web 10mhz distribution amplifier dp march 15, 2018 2 comments g4fre built a 10mhz distribution amplifier:

Cheap 10 MHz distribution amplifier caveat emptor Page 1
Cheap 10 MHz distribution amplifier caveat emptor Page 1 from www.eevblog.com

Web 10mhz reference distribution amplifier design components & releases attachments thumb up 1 followers 15 comments 34 views 4 forks 3 thumbs up a small 4 way. Web in the signal path schematic consist of lc filter low pass filter cutoff frequency of filter is not exactly 10mhz but some where around 10.8mhz , because these. Web a 10 mhz 3 channel distribution amplifier and low pass filter designed to integrate into a bg7tbl gpsdo.

Extron Is One Frequently Mentioned Brand.


48th., proceedings of the 1994 ieee international author: Web design and construct a class a, 10 mhz tuned amplifier based on the schematic diagram shown below. The other popular option is to use a video distribution amplifier.

The +7 Dbm Nominal 10 Mhz Input Is Buffered By A 3.5 Db Gain 50 Input And Output Rf Amplifier That.


Web the etl 10 mhz distribution amplifier is available in a range of capacities. Web a 10 mhz 3 channel distribution amplifier and low pass filter designed to integrate into a bg7tbl gpsdo. Web specs shipping what is it?

I Have Had A Need For A Distribution Amplifier For A.


Web 10mhz distribution amplifier dp march 15, 2018 2 comments g4fre built a 10mhz distribution amplifier: Tuned amplifier document the circuit design with a powerpoint. Web an octal 10 mhz distribution amplifier.

Web In The Signal Path Schematic Consist Of Lc Filter Low Pass Filter Cutoff Frequency Of Filter Is Not Exactly 10Mhz But Some Where Around 10.8Mhz , Because These.


Web overview for installations which require many 10 mhz outputs at a remote location from the source, the fs710 agc distribution amplifier offers seven independent outputs from. Web for general distribution of 10 mhz, video amps should be ok. Web 10mhz reference distribution amplifier design components & releases attachments thumb up 1 followers 15 comments 34 views 4 forks 3 thumbs up a small 4 way.

General Description The Amplifier Is Designed To Provide 58 Db Gain In The Frequency Band Of 0.2 Mhz To 10 Mhz With A Minimum Output Power Of 1 Kw.


Order lpf on both the input and outputs allows it to be driven. You may be able to use a passive catv splitter if you have enough input power (+15 dbm or more).